显尘模组
所属分类:光源模组
产品卖点:
显尘模组采用绿光显尘技术,利用一束绿色平行光束,让用户在不伤眼的情况下发现家中死角处更细小的灰尘。这束光在垂直方向上被压缩至小角度,而在水平方向上则展开成大角度,从而实现了较广泛的照射范围,同时避免了光直射眼睛的伤害。这种照射方式能明显显示出清洁器前方工作表面的灰尘和杂质,提升了对微小颗粒(如皮屑、宠物毛发、尘螨和部分花粉)的识别能力。因此,显尘模组不仅能提高清洁效率,还能方便用户观察清洁效果。
产品特征
绿光显尘可视化,满足用户深度清洁需求
高清晰边界光型,看得更清、更广
LED+双曲面透镜,灰尘投影更远
线性光贴地设计,更加安全高效自主研发专利,可灵活定制超低功耗,体积小方便安装
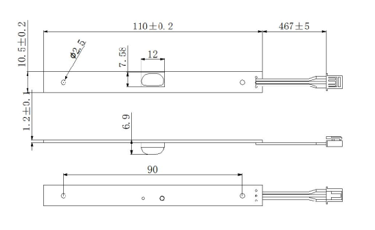
规则参数
| 工作电压 | DC 12V |
| 工作电流 | 125 mA |
| 绿光波长 | 500-570 nm |
| 照度 | 400 Lux(可调光) |
| 工作温度 | -10℃~60℃ |



» 应用场景
• 扫地机,照地面灰尘 • 除螨仪,照床上被子 • 电熨斗,照衣服的褶皱
